Volkswagen Touran Handbücher

Volkswagen Touran Reparaturanleitung :: Montageübersicht - Zylinderkopfhaube

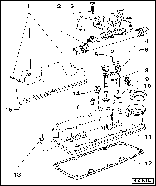
Montageübersicht - Zylinderkopfhaube

1 -  5 Nm
2 -  Hochdruckspeicher
Mit Einspritzleitungen
Biegeform der Einspritzleitungen nicht verändern
3 -  22 Nm
4 -  Injektor (Piezo-Injektor)
aus- und einbauen → Kapitel
5 -  8 Nm +180 weiterdrehen
ersetzen
6 -  Spannpratze
Jeweils eine Spannpratze → Kapitel für 2 Injektoren → Kapitel
7 -  Buchse
Befestigung für Hochdruckspeicher
Bei Beschädigung ersetzen
8 -  Dichtring
ersetzen
9 -  Dichtring
ersetzen
10 -  Verschlussdeckel
11 -  Zylinderkopfhaube
aus- und einbauen → Kapitel
12 -  Dichtung
Bei Beschädigung oder Undichtigkeit ersetzen
13 -  10 Nm
Anzugsreihenfolge beachten → Kapitel
14 -  Kabelführung
15 -  Wärmeschutzblech
Siehe auch:

Behälter für Scheibenwasch- und Scheinwerferreinigungsanlage aus- und einbauen (ohne Standheizung)
Ausbauen: -  Zündung und alle elektrischen Verbraucher ausschalten und den Zündschlüssel abziehen. -  Einfüllstutzen für Behälter für Schei ...

Nach dem der Kältemittelkreislauf von Verunreinigungen befreit wurde z. B. wegen eingedrungener Feuchtigkeit (der Kältemittelkreislauf war über längere Zeit offen) od
Der Auffangbehälter / Flüssigkeitsbehälter oder Trocknerbeutel- patrone ist unter folgenden Voraussetzungen nicht zu ersetzen. Nach einem Unfall aber keiner Beschädigung am Auffangb ...

© 2016-2025 Copyright www.vwtourande.com