Volkswagen Touran Reparaturanleitung :: Stoßfängerabdeckung hinten  07.2010
			
			
			Montageübersicht
	
  Hinweis
 
	
		| Je nach Ausführung der Sondermodelle müssen geringfügige optische 
		Abweichungen berücksichtigt werden. | 
 
	
		| 1 - | Stoßfängerabdeckung hinten | 
	
		
		| aus- und einbauen 
		→ Kapitel | 
Aus- und einbauen
	
		| 
			   Hinweis 
 
			
				
				| Je nach Modellvariante müssen beim Ausbau und Einbau 
				geringfügige Abweichungen berücksichtigt werden. |  
			
				
				| Bei einigen Reparaturen ist es nicht notwendig, die 
				Stoßfängerabdeckung vollständig auszubauen. Es genügt, auf der 
				benötigten Seite die Schrauben und Rasthaken zu lösen und die 
				Stoßfängerabdeckung von dem Führungsprofil abzuziehen. |  |  |  | 
 
	
		| - | Schlussleuchten ausbauen 
		→ Elektrische Anlage; Rep.-Gr.94. | 
	
		| - | Drehen Sie die Schrauben -4- links und 
		rechts in den Radhäusern heraus. | 
	
		| - | Clips -3- links und rechts in den 
		Radhäusern lösen. | 
	
		| - | Schrauben Sie von unten die Schrauben -2- 
		ab. | 
	
		| - | Drehen Sie die Schrauben -6- oben 
		heraus. | 
	
		| - | Trennen Sie die Steckverbindungen der vorhandenen elektrischen 
		Bauteile. | 
	
		| Hinweise und Arbeitsvorgaben für die Einparkhilfe in
		→ Elektrische Anlage; Rep.-Gr.94 | 
	
		| - | Ziehen Sie mit einem zweiten Monteur die Stoßfängerabdeckung hinten 
		parallel aus den Führungsprofilen -5-. | 
	
		| Der Einbau erfolgt sinngemäß in umgekehrter Reihenfolge. | 
	
		| - | Auf Parallelität und Maße der Fugen ist zu achten.
		→ Rep.-Gr.00 | 
 
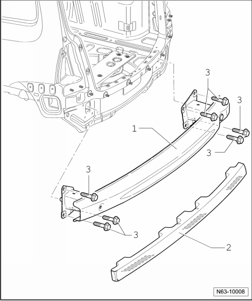
Stoßfängerabdeckung hinten Anbauteile 
	
  Hinweis
 
	
		| Je nach Ausführung der Sondermodelle müssen geringfügige optische 
		Abweichungen berücksichtigt werden. | 
 
	
		| 1 - | Stoßfängerabdeckung hinten | 
	
		
		| aus- und einbauen 
		→ Kapitel | 
	
		
		| in der Abdeckung verrastet | 
	
		
		| in der Abdeckung verrastet | 
	
		
		| nur bei ausgebautem Stoßfänger zu demontieren | 
Stoßfängerabdeckung hinten Anbauteile 11.06 ►
	
  Hinweis
 
	
		| Je nach Ausführung der Sondermodelle müssen geringfügige optische 
		Abweichungen berücksichtigt werden. | 
 
	
		| 1 - | Stoßfängerabdeckung hinten | 
	
		
		| aus- und einbauen 
		→ Kapitel | 
	
		
		| in der Abdeckung verrastet | 
	
		
		| in der Abdeckung verrastet | 
	
		
		| nur bei ausgebautem Stoßfänger zu demontieren | 
	
		
		| am Spoiler mit Klemmscheiben befestigt | 
	
		
		| nur bei ausgebautem Stoßfänger zu demontieren | 
	
		
		| nur für die Blende am Modell "Cross Touran" | 
	
		| 6 - | Blende für Stoßfängerabdeckung hinten | 
	
		
		| nur für das Modell "Cross Touran" | 
Stoßfänger hinten Unterbauteile
 
Stoßfängerträger - Montageübersicht
 
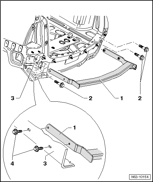
Stoßfängerträger (Erdgasfahrzeuge/Fahrzeuge mit Einparkhilfe)- 
Montageübersicht
	
		| 
			
				| 
					  					GEFAHR! 
					
						| Die Schrauben -4- sind 
						Blindverschraubungen für die oberen Befestigungslöcher 
						und dichten den Innenraum gegen Abgase ab und müssen auf 
						jeden Fall montiert werden. |  |  
			   Hinweis 
 
			
				| Dieser Stoßfängerträger ist bei Erdgasfahrzeugen und/oder 
				bei Fahrzeugen mit Einparkhilfe verbaut. |  |  |  | 
 
	
		
		| Für die oberen Befestigungslöcher des hier nicht verbauten 
		Querträgers. | 
	
		
		| Schrauben sind nach dem Lösen immer zu ersetzen | 
   Siehe auch:
Einleitung zum Thema
   In diesem Kapitel finden Sie 
Informationen zu folgenden Themen:⇒ Benzinkraftstoff 
⇒ Dieselkraftstoff ⇒ Erdgas 
⇒ Informationen zum Kraftstoffverbrauch ⇒ Kraftstoffverbrauch 
⇒ CO-Emission Die zu tankende Art des Kraftstoffs ist abhängig vo ...
   
Bauteile - Türschlösser vorn
   
	
		
		
			
				Folgende Bauteile sind (ausstattungsabhängig) im Türschloss, 
				Fahrerseite integriert:
			
		
		
			
				
				Türkontaktschalter Fahrerseite -F2-
			
		
		
			
				
				Schließeinheit für Zentralverriegelun ...