Volkswagen Touran Handbücher

Volkswagen Touran Reparaturanleitung :: Stelleinheit für Temperaturklappe aus- und einbauen

Volkswagen Touran Reparaturanleitung / Heizung, Klimaanlage / Heizung / Stellmotoren / Stelleinheit für Temperaturklappe aus- und einbauen

Ausbauen
   
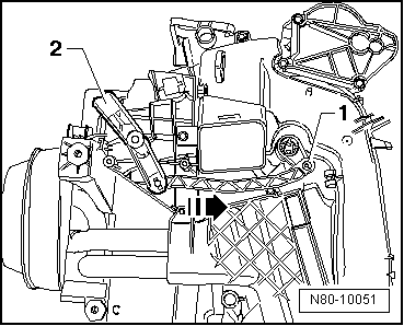
Zug an der Stelleinheit für Temperaturklappe -2- ausclipsen.
Verrastung -1- lösen und Stelleinheit für Temperaturklappe in -Pfeilrichtung- bis zum Anschlag drücken.
Stelleinheit für Temperaturklappe abziehen.
Einbauen
Der Einbau erfolgt in umgekehrter Reihenfolge.
  Hinweis

Nach dem Einbau ist die Funktion der Temperaturklappe zu prüfen. Der Temperaturknopf an der Heiz- und Frischluftregulierung muss leichtgängig und ruckfrei sich von Stellung "kalt" in Stellung "warm" verstellen lassen.
  Stelleinheit für Temperaturklappe aus- und einbauen
Siehe auch:

Geber für Ausströmtemperatur Verdampfer -G263- oder Temperaturfühler für Verdampfer -G308
Funktion: Der Geber für Ausströmtemperatur Verdampfer -G263- oder Temperaturfühler für Verdampfer -G308- ermittelt die Temperatur hinter dem Verdampfer. Dieser Wert geht an den das Steuerger&au ...

Licht und Sicht – Funktionen
Lesen und beachten Sie zuerst die einleitenden Informationen und Sicherheitshinweise⇒Einleitung zum Thema  Parklicht Bei eingeschaltetem Parklicht (Blinker rechts oder links) leuchten auf der entsprechenden Fahrzeugseite der Scheinwerfer mit Standlicht un ...

© 2016-2026 Copyright www.vwtourande.com