|  Hinweis 
 | 
Ausbauen
| 
 
 | 
| - | Positionieren Sie den Sitz, über die Längsverstellung, in der hintersten Position. | 
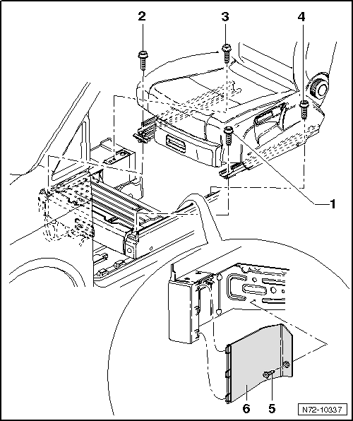
| - | Drehen Sie die Schrauben -1- und -2- heraus (40 Nm). | 
| - | Positionieren Sie den Sitz, über die Längsverstellung, in der vordersten Position. | 
| - | Drehen Sie die Schrauben -3- und -4- heraus (40 Nm). | 
| - | Heben Sie den Sitz im vorderen Bereich an, bis die Leitungsstränge und die Abdeckung -6-, unter dem Sitz zugänglich sind. | 
| - | Drehen Sie die Schraube -5- heraus (2 Nm). | 
| - | Ziehen Sie die Abdeckung -6- aus den hinteren Aufnahmen heraus. | 

| - | Lösen Sie die Kabelführung -4- vom Adapter, Sitzgestell. | 
| - | Clipsen Sie, je nach Fahrzeugausstattung, die Leitungsstränge -1-, -2-, und -3- aus der Koppelstation heraus. | 
|  ACHTUNG! 
 | 
| - | Trennen Sie, je nach Fahrzeugausstattung, die Leitungsstränge unter dem Sitz. | 
| - | Stecken Sie den Airbagadapter -VAS 6229- bzw. Airbag-Adapter -VAS 6281- auf die Steckerkupplung -5-. | 
| - | Heben Sie den Sitz aus dem Fahrzeug heraus. | 

Einbauen
| 
 
 
 
 | 
Einleitung zum Thema
   In diesem Kapitel finden Sie 
Informationen zu folgenden Themen:⇒ Sich selbst und das Fahrzeug absichern 
⇒ Erste-Hilfe-Set, Warndreieck, Warnweste und Feuerlöscher 
	Ergänzende Informationen und Warnhinweise:
	
		Bremsen, anhalten und parken ⇒ Bremsen, ...
   
Bremspedal aus- und einbauen
   
	
		
		
			
				Ausbauen
			
		
		
			
				-  
				Ablagefach aus den Aufnahmen der Blende, Fahrerseite, links, 
				herausziehen.
			
		
		
			
				-  
				Knieairbag vom Halter abschrauben 
				→ Karosserie-Montagearbeiten Inne ...