Volkswagen Touran Handbücher

Volkswagen Touran Reparaturanleitung :: Montageübersicht - Kurbelwelle

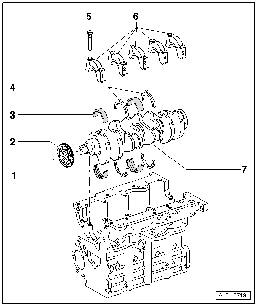
Montageübersicht - Kurbelwelle

1 -  Lagerschale
für Zylinderblock mit Schmiernut
gelaufene Lagerschalen für den Wiedereinbau kennzeichnen, jedoch nicht auf der Lauffläche
2 -  Zahnriemenrad
für Ölpumpenantrieb
nicht einzeln als Ersatzteil erhältlich
3 -  Lagerschale
für Lagerdeckel ohne Schmiernut
gelaufene Lagerschalen für den Wiedereinbau kennzeichnen, jedoch nicht auf der Lauffläche
bis auf die Grundschicht durchgelaufene Lagerschalen ersetzen
4 -  Anlaufscheiben
für Lager 3
unterschiedliche Ausführung für Zylinderblock und Lagerdeckel
Fixierung beachten
5 -  Schrauben
ersetzen
65 Nm +90
6 -  Lagerdeckel
Lagerdeckel 1: Riemenscheibenseite
Lagerdeckel 3 mit Aussparungen für Anlaufscheiben
Einbaulage: Haltenasen der Lagerschalen im Zylinderblock und Lagerdeckel müssen übereinander liegen
7 -  Kurbelwelle
Axialspiel neu: 0,07 ... 0,17 mm Verschleißgrenze: 0,37 mm
Radialspiel mit Plastigage messen: neu: 0,03 ... 0,08 mm, Verschleißgrenze: 0,17 mm
Bei Radialspielmessung Kurbelwelle nicht verdrehen
Kurbelwellenmaße → Kapitel.
Siehe auch:

Übersicht über die Steckverbindungen am Radio "RCD 210"
1 -  Mehrfachsteckverbindung 1, 8-fach, Lautsprecherausgänge Kontaktbelegung → Stromlaufpläne, Fehlersuche Elektrik und Einbauorte 2 -  Mehrfachsteckverbindung 2, 8-fach, Spann ...

Einleitung zum Thema
In diesem Kapitel finden Sie Informationen zu folgenden Themen:⇒ Vorbereitungen zum Radwechsel  ⇒ Radschrauben ⇒ Fahrzeug anheben mit dem Wagenheber  ⇒ Rad wechseln ⇒ Nach dem Radwechsel  Einige Fahrzeugausführungen oder Fahrzeugmodelle werden ...

© 2016-2025 Copyright www.vwtourande.com