| 
 | 
| 
 
  Hinweis 
 
 
 
 
 
 
 
 
 |   | 
 
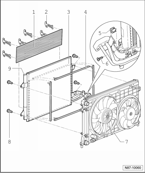
| 1 - | Schutzgitter | 
| Nur bei Fahrzeugen mit Schlechtwegeausstattung. | 
| Nur bei Fahrzeugen mit Kondensator der Firma "Showa". | 
| Schutzgitter an der 2. Rippe von unten positionieren. | 
| 2 - | Halteclip | 
| 8 Stück | 
| 3 - | Kondensator | 
| Befestigt mit 4 Schrauben am Kühler für Kühlmittel | 
| 4 - | Dichtstreifen | 
| Den oberen Dichtstreifen vor Montage auf die 6. Lamellenreihe des Kondensators, von oben aufkleben. | 
| Den unteren Dichtstreifen vor Montage auf die 1. Lamellenreihe des Kondensators, von unten aufkleben. | 
| Die seitlichen Dichtstreifen vor Montage auf den Sammler des Kondensators ab der 1. Lamellenreihe von unten aufkleben. | 
| 5 - | Distanzhalter | 
 Hinweis
  Hinweis| Der Distanzhalter ist nur bei Fahrzeugen mit Benzinmotor eingebaut. | 
| 6 - | Schraube | 
| 5 +- 0,5 Nm | 
| 7 - | Kühler für Kühlmittel | 
| 8 - | Schrauben | 
| 4 Stück | 
| 5 +- 0,5 Nm | 
| 9 - | Flüssigkeitsbehälter mit Trockner | 
 Hinweis
  Hinweis| Der Flüssigkeitsbehälter mit Trockner ist unter bestimmten Voraussetzungen nicht mehr nach jedem Öffnen des Kältemittelkreislaufs zu ersetzen. Siehe in der ELSA unter → Klimaanlage mit Kältemittel R134a; Rep.-Gr.00. | 
| aus- und einbauen → Kapitel | 
| 
 
 | 
Schalttafeleinsatz aus- und einbauen
   
	
		
		
			  Hinweis
		
			
				Vor dem Ausbau des Schalttafeleinsatzes muss in jedem Fall, 
				zum Auslesen der im Steuergerät gespeicherten Daten, der 
				Arbeitsablauf "Schalttafeleinsatz ersetzen" durchgeführt werden
				→ Kapi ...
   
Blenden, Schalttafel, aus- und einbauen
   Ausbauen
	
		 
		Hebeln Sie die Blenden -1-,
		-2- und -3-, 
		mit dem Demontagekeil -3409-, aus den Aufnahmen in der Schalttafel.
	
	
		 
		  
		  
	
Einbauen
	
		  
		Drücken Sie die Blenden in die entsprechen ...