Volkswagen Touran Reparaturanleitung :: Heiz- und Klimagerät zerlegen und zusammenbauen
Heiz- und Klimagerät zerlegen und zusammenbauen, Climatic
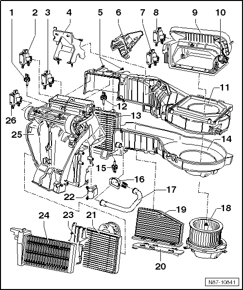
| 1 - |
Stellmotor für Temperaturklappe -V68- |
| Prüfen: Fahrzeugdiagnosetester |
| Aus- und einbauen
→ Kapitel |
| Zum Trennen von Luftverteiler- und Verdampfergehäuse müssen die
Schrauben herausgedreht werden. |
| 5 - |
Stellmotor der Frischluftklappe und Umluftklappe -V154- |
| Prüfen: Fahrzeugdiagnosetester |
| Aus- und einbauen
→ Kapitel |
| 6 - |
Gehäuse für Lufteintritt |
| 7 - |
Verdampfergehäuse Oberteil |
| Verdampfergehäuse zerlegen und zusammenbauen
→ Kapitel |
| 8 - |
Verdampfergehäuse Unterteil |
| Verdampfergehäuse zerlegen und zusammenbauen
→ Kapitel |
| Aus- und einbauen
→ Kapitel |
| 10 - |
Temperaturfühler für Verdampfer -G308- oder Ausströmtemperaturgeber
für Verdampfer -G263- |
| Prüfen: Fahrzeugdiagnosetester |

Hinweis
| Je nach Software erscheint eine der beiden Bauteilbezeichnungen. Die
Aufgaben sind jedoch gleich. |
| Aus- und einbauen
→ Kapitel |
| 11 - |
Anschlussstutzen für Handschuhfachkühlung |
| 12 - |
Kühlmittelschlauch für Handschuhfachkühlung |
| 13 - |
Vorwiderstand für Frischluftgebläse mit Überhitzungssicherung -N24- |
| Aus- und einbauen
→ Kapitel |
| 14 - |
Frischluftgebläse -V2- |
| Aus- und einbauen
→ Kapitel |
| 15 - |
Staub- und Pollenfilter |
| Aus- und einbauen
→ Kapitel |
| Für Staub- und Pollenfilter |
| Aus- und einbauen
→ Kapitel |
| 18 - |
Wärmetauscherverkleidung |
| 19 - |
Heizelement für Luftzusatzheizung -Z35- |
| Aus- und einbauen
→ Kapitel |
| 21 - |
Stelleinheit für Luftverteilerklappen |
| Aus- und einbauen
→ Kapitel |
| 22 - |
Ausströmtemperaturgeber für Fußraum -G192- |
| Aus- und Einbauen
→ Kapitel |
Einbauorteübersicht - Bauteile innerhalb des Fahrgastraums vorn, manuell
geregelte Klimaanlage
| 1 - |
Stellmotor für Temperaturklappe -V68- |
| Prüfen: Fahrzeugdiagnosetester |
| Aus- und einbauen
→ Kapitel |
| Zum Trennen von Luftverteiler- und Verdampfergehäuse müssen die
Schrauben herausgedreht werden. |
| 5 - |
Stellmotor der Frischluftklappe und Umluftklappe -V154- |
| Prüfen: Fahrzeugdiagnosetester |
| Aus- und einbauen
→ Kapitel |
| 6 - |
Gehäuse für Lufteintritt |
| 7 - |
Verdampfergehäuse Oberteil |
| Verdampfergehäuse zerlegen und zusammenbauen
→ Kapitel |
| 8 - |
Verdampfergehäuse Unterteil |
| Verdampfergehäuse zerlegen und zusammenbauen
→ Kapitel |
| Aus- und einbauen
→ Kapitel |
| 10 - |
Temperaturfühler für Verdampfer -G308- oder Ausströmtemperaturgeber
für Verdampfer -G263- |
| Prüfen: Fahrzeugdiagnosetester |

Hinweis
| Je nach Software erscheint eine der beiden Bauteilbezeichnungen. Die
Aufgaben sind jedoch gleich. |
| Aus- und einbauen
→ Kapitel |
| 11 - |
Anschlussstutzen für Handschuhfachkühlung |
| 12 - |
Kühlmittelschlauch für Handschuhfachkühlung |
| 13 - |
Vorwiderstand für Frischluftgebläse mit Überhitzungssicherung -N24- |
| Aus- und einbauen
→ Kapitel |
| 14 - |
Frischluftgebläse -V2- |
| Aus- und einbauen
→ Kapitel |
| 15 - |
Staub- und Pollenfilter |
| Aus- und einbauen
→ Kapitel |
| Für Staub- und Pollenfilter |
| Aus- und einbauen
→ Kapitel |
| 18 - |
Wärmetauscherverkleidung |
| 19 - |
Heizelement für Luftzusatzheizung -Z35- |
| Aus- und einbauen
→ Kapitel |
| 21 - |
Stellmotor für Luftverteilerklappe -V428- |
| Aus- und einbauen
→ Kapitel |
Einbauorteübersicht - Bauteile innerhalb des Fahrgastraums vorn,
Climatronic
| 1 - |
Ausströmtemperaturgeber für Fußraum links -G261- |
| Aus- und Einbauen
→ Kapitel |
| 2 - |
Stellmotor der Temperaturklappe links -V158- |
| Aus- und einbauen
→ Kapitel |
| 3 - |
Stellmotor der Defrostklappe -V107- |
| Aus- und einbauen
→ Kapitel |
| Zum Trennen von Luftverteiler- und Verdampfergehäuse müssen die
Schrauben herausgedreht werden. |
| 7 - |
Stellmotor der Umluftklappe -V113- |
| Aus- und einbauen
→ Kapitel |
| 8 - |
Stellmotor der Staudruckklappe -V71- bzw. Stellmotor für
Frischluft-Umluft-, Staudruckklappe -V425- |
| ► KW 21/07 Stellmotor der Staudruckklappe -V71- eingebaut. |
| KW 22/07 ► Stellmotor für Frischluft-Umluft-, Staudruckklappe -V425-
eingebaut. |
| Stellmotor der Staudruckklappe -V71- aus- und einbauen
→ Kapitel |
| Stellmotor für Frischluft-Umluft-, Staudruckklappe -V425- aus- und
einbauen
→ Kapitel |
| 9 - |
Gehäuse für Lufteintritt |
| Mit Frisch- und Umluftklappe |
| Mit Staudruckklappe "Climatronic" |
| 10 - |
Temperaturfühler für Frischluftansaugkanal -G89- |
| Aus- und einbauen
→ Kapitel |
| 11 - |
Verdampfergehäuse Oberteil |
| Verdampfergehäuse zerlegen und zusammenbauen
→ Kapitel |
| 12 - |
Ausströmtemperaturgeber für Fußraum rechts -G262- |
| Aus- und einbauen
→ Kapitel |
| Aus- und einbauen
→ Kapitel |
| 14 - |
Verdampfergehäuse Unterteil |
| Verdampfergehäuse zerlegen und zusammenbauen
→ Kapitel |
| 15 - |
Temperaturfühler für Verdampfer -G308- oder Ausströmtemperaturgeber
für Verdampfer -G263- |
| Aus- und einbauen
→ Kapitel |
| 16 - |
Anschlussstutzen für Handschuhfachkühlung |
| 17 - |
Kühlmittelschlauch für Handschuhfachkühlung |
| 18 - |
Frischluftgebläse -V2- mit Steuergerät für Frischluftgebläse -J126- |
| Das Steuergerät für Frischluftgebläse -J126- und das
Frischluftgebläse -V2- sind in einem Bauteil zusammengefasst. |
| Aus- und einbauen
→ Kapitel |
| 19 - |
Staub- und Pollenfilter |
| Aus- und einbauen
→ Kapitel |
| Für Staub- und Pollenfilter |
| Aus- und einbauen
→ Kapitel |
| 22 - |
Stellmotor für Temperaturklappe rechts -V159- |
| Aus- und einbauen
→ Kapitel |
| 23 - |
Wärmetauscherverkleidung |
| 24 - |
Heizelement für Luftzusatzheizung -Z35- |
| Aus- und einbauen
→ Kapitel |
| 26 - |
Stellmotor der Zentralklappe -V70- |
| Aus- und einbauen
→ Kapitel |