Volkswagen Touran Reparaturanleitung :: ABS Mark 70 (ABS/ASR), Linkslenker
			
			
			
 
	
		| 1 - | Steuergerät für ABS -J104- | 
	
		
		| aus- und einbauen 
		→ Kapitel | 
	
		| 2 - | Hydraulikeinheit für ABS -N55- | 
	
		
		| aus- und einbauen 
		→ Kapitel | 
	
		
		| Hauptbremszylinder/Druckstangenkolbenkreis zur Hydraulikeinheit für 
		ABS -N55- | 
	
		
		| Kennzeichen: Rohrschraube mit Gewinde M 10 x 1 | 
	
		
		| Hauptbremszylinder/Schwimmkolbenkreis zur Hydraulikeinheit für ABS 
		-N55- | 
	
		
		| Kennzeichen: Rohrschraube mit Gewinde M 12 x 1 | 
	
		
		| zum Bremssattel vorn links | 
	
		
		| Kennzeichen: Rohrschraube mit Gewinde M 12 x 1 | 
	
		
		| zum Bremssattel vorn rechts | 
	
		
		| Kennzeichen: Rohrschraube mit Gewinde M 10 x 1 | 
	
		
		| zum Bremssattel hinten links | 
	
		
		| Kennzeichen: Rohrschraube mit Gewinde M 12 x 1 | 
	
		
		| zum Bremssattel hinten rechts | 
	
		
		| Kennzeichen: Rohrschraube mit Gewinde M 10 x 1 | 
	
		
		| Neue Schrauben verwenden. | 
	
		| 13 - | Bremskraftverstärker | 
	
		
		| Bei Benzinmotoren wird der erforderliche Unterdruck am Ansaugrohr 
		entnommen. | 
	
		
		| Bei Dieselmotoren ist zur Unterdruckerzeugung eine Vakuumpumpe 
		eingebaut. 
		→ Kapitel. | 
	
		| - | Bremspedal bei stehendem Motor mehrere Male kräftig durchtreten (Dadurch 
		wird der im Gerät vorhandene Unterdruck abgebaut). | 
	
		| - | Bremspedal jetzt mit mittlerer Fußkraft in Bremsstellung halten und 
		Motor starten. Bei einem einwandfrei funktionierenden 
		Bremskraftverstärker gibt jetzt das Bremspedal unter dem Fuß spürbar 
		nach (Verstärkung wird wirksam). | 
	
		
		| bei Störungen komplett ersetzen (vorher alle Unterdruckleitungen 
		prüfen). | 
	
		
		| aus- und einbauen 
		→ Kapitel | 
	
		
		| Zuordnung 
		→ Elektronischer Ersatzteilkatalog (ETKA) | 
	
		
		| kann nicht instand gesetzt werden. Bei Störungen komplett ersetzen. | 
	
		
		| aus- und einbauen 
		→ Kapitel | 
	
		
		| nach jeder Demontage ersetzen | 
	
		
		| mit Bremsflüssigkeit benetzen und Bremsflüssigkeitsbehälter 
		eindrücken | 
	
		| 18 - | Bremsflüssigkeitsbehälter | 
	
		
		| Anschluss für den Unterdruckschlauch | 
	
		
		| in Bremskraftverstärker einsetzen | 
	
		| 22 - | Drucksensor für Bremskraftverstärkung -G294- | 
	
		
		| bei Fahrzeugen mit FSI-Motor ohne HBV | 
	
		
		| aus- und einbauen 
		→ Kapitel | 
Anschließen der Bremsleitungen vom Hauptbremszylinder an die 
Hydraulikeinheit für ABS -N55-
	
		| 
			
				| A - | Druckstangenkolbenkreis des Hauptbremszylinders zur 
				Hydraulikeinheit für ABS -N55- |  
			
				| - | Kennzeichen: Rohrschraube mit Gewinde M 10 x 1 |  
			
				| B - | Schwimmkolbenkreis des Hauptbremszylinders zur 
				Hydraulikeinheit für ABS -N55- |  
			
				| - | Kennzeichen: Rohrschraube mit Gewinde M 12 x 1 |  
			
				| 1 - | Hydraulikeinheit für ABS -N55- zum Bremssattel vorn links |  
			
				| 3 - | Hydraulikeinheit für ABS -N55- zum Bremssattel hinten rechts |  
			
				| 4 - | Hydraulikeinheit für ABS -N55- zum Bremssattel hinten links |  |  |   
 | 
	
		| 
			
				| An der Hydraulikeinheit für ABS -N55- |  
			
				| A - | Hydraulikeinheit für ABS -N55- zum Druckstangenkolbenkreis 
				des Hauptbremszylinders |  
			
				| - | Kennzeichen: Rohrschraube mit Gewinde M 10 x 1 |  
			
				| B - | Hydraulikeinheit für ABS -N55- zum Schwimmkolbenkreis des 
				Hauptbremszylinders |  
			
				| - | Kennzeichen: Rohrschraube mit Gewinde M 12 x 1 |  
			
				| 1 - | Hydraulikeinheit für ABS -N55- zum Bremssattel vorn links |  
			
				| - | Kennzeichen: Rohrschraube mit Gewinde M 12 x 1 |  
			
				| 2 - | Hydraulikeinheit für ABS -N55- zum Bremssattel vorn rechts |  
			
				| - | Kennzeichen: Rohrschraube mit Gewinde M 10 x 1 |  
			
				| 3 - | Hydraulikeinheit für ABS -N55- zum Bremssattel hinten rechts |  
			
				| - | Kennzeichen: Rohrschraube mit Gewinde M 10 x 1 |  
			
				| 4 - | Hydraulikeinheit für ABS -N55- zum Bremssattel hinten links |  
			
				| - | Kennzeichen: Rohrschraube mit Gewinde M 12 x 1 |  |  |   
 | 
Steuergerät für ABS -J104- und Hydraulikeinheit für ABS -N55- ausbauen
 
	
		| Benötigte Spezialwerkzeuge, Prüf- und 
		Messgeräte sowie Hilfsmittel | 
	
		
		| Drehmomentschlüssel -V.A.G 1331- | 
	
		
		| Drehmomentschlüssel -V.A.G 1410- | 
	
		
		| Bremspedalbelaster -V.A.G 1869/2- | 
 
	
		| 
			
				| Verschlussstopfen Reparatursatz ET.-Nr. 1H0 698 311 A |  
			
				| Nach dem Ausbau der Hydraulikeinheit für ABS -N55- ist der 
				Transportschutz aufzustecken. |  
			
				| Ohne Transportschutz kann keine Gewährleistung für die 
				Hydraulikeinheit für ABS -N55- anerkannt werden. |  
			
				| 1 - | Transportschutz für Ventildome (Schaumstoff) |  
			
				| 2 - | Verschlussstopfen M 10 |  
			
				| 3 - | Verschlussstopfen M 12 |  
			
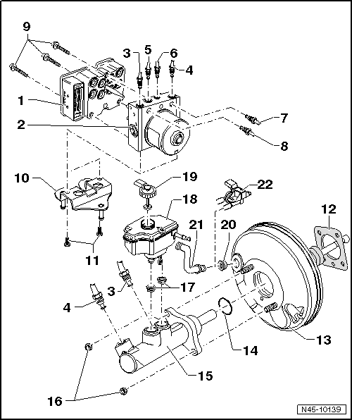
				| Anordnung des ABS im Linkslenker. |  |  |   
 | 
	
		| 
			
				| Das Steuergerät für ABS -J104- ist mit der Hydraulikeinheit 
				für ABS -N55- verschraubt und befindet sich im Motorraum rechts. |  
			
				| 1 - | Hydraulikeinheit für ABS -N55- und Steuergerät für ABS 
				-J104- |  
			
				| 
					  					ACHTUNG! 
					
						| Bremsleitungen im Bereich der Hydraulikeinheit für 
						ABS -N55- dürfen nicht verbogen werden! |  |  
			
				| - | Die vorhandene Steuergerätecodierung auslesen und notieren
				→ Kapitel. |  
			
				| - | Bei Fahrzeugen mit codiertem Radiogerät Codierung beachten, 
				ggf. fragen. |  
			
				| - | Batterie abklemmen 
				→ Elektrische Anlage; Rep.-Gr.27. |  
			
				| - | Motorabdeckung herausnehmen. |  |  |   
 | 
	
		| 
			
				| - | Motorabdeckung -Pfeil A- und 
				Hitzeschutz -Pfeil B- abbauen. |  
			
				| - | Druckrohr und Saugstutzen mit Regelklappensteuereinheit
				-2- ausbauen 
				→ 4-Zyl. Einspritzmotor (1,4 l-Motor Direkteinspritzer, 
				Turbolader und Kompressor); Rep.-Gr.24. |  
			
				| - | Ladeluftschlauch -1- ausbauen
				→ 4-Zyl. Einspritzmotor (1,4 l-Motor Direkteinspritzer, 
				Turbolader und Kompressor); Rep.-Gr.21. |  
			
				| - | Schlauch vom Kühlmittelausgleichsbehälter abklemmen und 
				abziehen. |  |  |   
 | 
	
		| 
			
				| Fahrzeuge mit Dieselmotor |  
			
				| - | Motorabdeckung in -Pfeilrichtung- 
				abziehen. |  
			
				| - | Verbindungsschlauch zum Saugstutzen ausbauen
				→ 4-Zyl. Dieselmotor (2-Ventiler); Rep.-Gr.21. |  
			
				| - | Motor für Saugrohrklappe V157 ausbauen 
				→ 4-Zyl. Dieselmotor (2-Ventiler); Rep.-Gr.23. |  |  |   
 | 
	
		| 
			
				| 1,6l und 2,0l Dieselmotor |  
			
				| - | Zahnriemenschutz-Oberteil ausbauen, dazu die Klammern
				-Pfeile- entriegeln. |  
			
				| - | Wasserkasten Stirnwand Mitte ausbauen 
				→ Karosserie-Montagearbeiten Aussen; Rep.-Gr.50. |  
			
				| - | Verbindungsrohr zwischen Ansaugschlauch und Abgasturbolader 
				ausbauen. |  |  |   
 | 
	
		| 
			
				| alle Dieselmotoren mit Partikelfilter |  
			
				| - | Drucksensor für Abgas abschrauben, elektrische 
				Steckverbindungen trennen, 
				→ Rep.-Gr.26. |  
			
				| - | Schrauben des Partikelfilters -2- 
				bis -5- abschrauben
				→ Abgasanlage; Rep.-Gr.26. |  
			
				| - | Partikelfilter absenken. |  
			
				| Fortsetzung für alle Fahrzeuge |  |  |   
 | 
	
		| 
			
				| - | Stecker vom Steuergerät für ABS -J104- in Pfeilrichtung 
				entriegeln -1- und abziehen
				-2-. |  |  |   
 | 
	
		| 
			
				| - | Bremspedalbelaster -V.A.G 1869/2- einsetzen. |  |  |   
 | 
	
		| 
			
				| - | Entlüfterschlauch der Entlüfterflasche 
				-1- auf das Entlüftungsventil des Bremssattels vorn links 
				stecken. |  
			
				| - | Entlüftungsventil öffnen. |  |  |   
 | 
	
		| 
			
				| - | Entlüfterschlauch der Entlüfterflasche 
				-1- auf das Entlüftungsventil des Bremssattels hinten 
				links stecken. |  
			
				| - | Entlüftungsventil öffnen. |  
			
				| - | Das Bremspedal mit dem Bremspedalbelaster -V.A.G 1869/2- 
				mindestens 60mm drücken. |  
			
				| - | Die Entlüftungsventile vorn links und hinten links schließen. |  
			
				| - | Ausreichend nicht fasernde Lappen unter das Steuergerät für 
				ABS -J104- und die Hydraulikeinheit für ABS -N55- legen. |  
			
				| Achten Sie darauf, dass keine Bremsflüssigkeit auf die 
				Kontakte gelangt. |  |  |   
 | 
	
		| 
			
				| - | Zuerst die beiden Bremsleitungen vom Hauptbremszylinder
				-A und B- kennzeichnen und von der 
				Hydraulikeinheit für ABS -N55- abschrauben. |  
			
				| - | Bremsleitungen und Gewindebohrungen sofort mit 
				Verschlussstopfen aus Reparatursatz ET.- Nr. 1H0 698 311 A 
				verschließen. |  
			
				| - | Die Bremsleitungen (Bremssättel) -1- 
				bis -4- kennzeichnen, abschrauben 
				und sofort mit Verschlussstopfen aus Reparatursatz 
				ET.- Nr. 1H0 698 311 A verschließen. |  |  |   
 | 
	
		| 
			
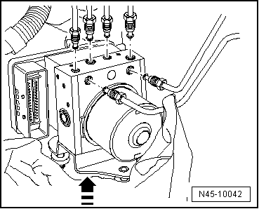
				| - | Hydraulikeinheit für ABS -N55- mit Steuergerät für ABS 
				-J104- nach oben in -Pfeilrichtung- 
				aus den Dämpfern ziehen. |  |  |   
 | 
	
		| 
			
				| Steuergerät für ABS -J104- von der 
				Hydraulikeinheit für ABS -N55- abschrauben |  | 
	
		| 
			
				| Hydraulikeinheit für ABS -N55- mit dem Steuergerät für ABS 
				-J104- nach oben auf eine saubere ebene Fläche. |  |  |  | 
	
		| 
			
				| - | Schrauben -Pfeile- 
				herausschrauben. |  |  |   
 | 
	
		| 
			
				| - | Das Steuergerät für ABS -J104- ohne zu verkanten von der 
				Hydraulikeinheit für ABS -N55- in -Pfeilrichtung- 
				abziehen. |  
			
				| - | Alle Dichtringe vorsichtig von den Ventildomen der 
				Hydraulikeinheit für ABS -N55- abziehen. |  
			
				| 
					  					ACHTUNG! 
					
						
						| Bei einem abgezogenen Steuergerät für ABS -J104- ist 
						die Platine offen gelegt. |  
					
						
						| Es dürfen keine Feuchtigkeit und Schmutzpartikel in 
						das innere vom Steuergerät für ABS -J104- eindringen. |  
					
						
						| Die Hydraulikpumpe für ABS -V64- darf nicht von der 
						Hydraulikeinheit für ABS -N55- getrennt werden. |  
					
						
						| Elektrostatische Aufladung vermeiden! |  |  
			
				| - | Magnetspulen des Steuergerät für ABS -J104- mit einem nicht 
				fasernden Lappen abdecken. |  
			
				| Nach dem Trennen von Steuergerät für ABS -J104- und 
				Hydraulikeinheit für ABS -N55- den Transportschutz für 
				Ventildome verwenden. |  |  |   
 | 
Neues Steuergerät für ABS -J104- anbauen
	
		| 
			
				| 
					  					ACHTUNG! 
					
						| Starke Erschütterungen (z.B. Sturz, Schlag) können 
						das Steuergerät für ABS -J104- zerstören. Das 
						Steuergerät für ABS -J104- darf danach nicht mehr 
						verwendet werden. |  |  
			
				
				| Die Oberflächen müssen vor dem Zusammenbau gereinigt werden. |  |  |  | 
	
		| 
			
				| - | Alle Dichtringe -A- ein wenig 
				über die Ventildome schieben. |  
			
				| - | Steuergerät für ABS -J104-, ohne es zu verkanten, auf die 
				Hydraulikeinheit für ABS -N55- setzen. |  
			
				| Die Dichtringe werden damit in ihre Endlage gebracht. |  
			
				| - | Hydraulikeinheit für ABS -N55- und Steuergerät für ABS 
				-J104- mit den beiliegenden neuen Schrauben verschrauben. |  
			   Hinweis 
 
			
				
				| Ein neues Steuergerät für ABS -J104- darf an einer 
				verbleibenden Hydraulikeinheit für ABS -N55- max. zweimal 
				montiert werden, um die Dichtheit der elastischen Dichtung zu 
				gewährleisten. |  
			
				
				| Ein Steuergerät für ABS -J104-, welches einmal im 
				Fahrbetrieb war, darf kein zweites Mal montiert werden. |  |  |   
 | 
Steuergerät für ABS -J104- und Hydraulikeinheit für ABS -N55- einbauen
	
		| 
			
				| Der Einbau erfolgt in umgekehrter Reihenfolge. Dabei ist 
				Folgendes zu beachten: |  
			 Hinweis 
 
			
				
				| Verschlussstopfen an der neuen Hydraulikeinheit für ABS 
				-N55- erst entfernen, wenn die entsprechende Bremsleitung 
				montiert wird. |  
			
				
				| Werden die Verschlussstopfen aus der Hydraulikeinheit für 
				ABS -N55- schon vorher entfernt, kann Bremsflüssigkeit 
				ausfließen, so dass eine ausreichende Befüllung und Entlüftung 
				nicht mehr gewährleistet ist. |  
			
				
				| Darauf achten, dass die Dämpfergummis nicht aus der Konsole 
				gedrückt werden. |  
			
				| - | Bremspedalbelaster -V.A.G 1869/2- entfernen. |  
			
				| - | Bremsanlage entlüften 
				→ Kapitel. |  
			
				| - | Das Steuergerät für ABS -J104- codieren 
				→ Kapitel. |  |  |  | 
	
		
	
	
		| Bauteil | Anzugsdrehmoment | 
	
		| Steuergerät für ABS 
		-J104- an Hydraulikeinheit für ABS -N55- 
			
				
				| Neue Schrauben verwenden! |  | 5,5 Nm | 
	
		| Sechskantschraube für 
		Hydraulikeinheit für ABS -N55- an Halter | 8 Nm | 
	
		| Bremsleitungen am 
		Hydraulikeinheit für ABS -N55- M 10 x 1 | 14 Nm | 
	
		| Bremsleitungen am 
		Hydraulikeinheit für ABS -N55- M 12 x 1 | 14 Nm | 
	
		| Partikelfilter an die 
		Halter am Motorblock | 25 Nm | 
	
		| Klemmhülse für 
		Abgasanlage | 25 Nm | 
	
		| Halter an den Motorblock | 25 Nm | 
	
		| Schelle zwischen 
		Partikelfilter und Abgasturbolader | 7 Nm | 
	
		| Abgasanlage an den 
		Aggregateträger | 25 Nm | 
 
   Siehe auch:
Spur an der Hinterachse einstellen
   
	
		
		
			
				Benötigte Spezialwerkzeuge, Prüf- und 
				Messgeräte sowie Hilfsmittel
			
		
		
		  
		  
	
	
		
		
			
				
				Drehmomentschlüssel -V.A.G 1332-
			
		
		
		  
		
		 
		
	
	
		
	 ...
   
Fahrzeuge ab KW 22/09
   
	
		
		
			
				Ausbauen
			
		
		
		  
		  
	
	
		
		
			
				-  
				Bauen Sie die rechte Seitenverkleidung (im Kofferraum) aus
				→ Rep.-Gr.70.
			
		
		
			
				-  
				Ziehen Sie die Stecker -1- und
				 ...