Volkswagen Touran Reparaturanleitung :: ABS Mark 60 (ABS/EDS/ASR/ESP) bis KW 22/08, Linkslenker
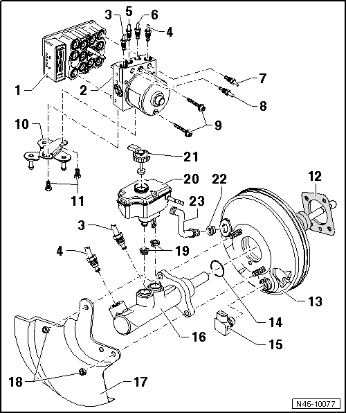
| 1 - |
Steuergerät für ABS -J104- |
| Bei Fahrzeugen mit Hydraulischer Bremskraftverstärkung oder mit
Berganfahrhilfe ist keine Trennung vom Steuergerät für ABS -J104-und
Hydraulikeinheit für ABS -N55- möglich. |
| aus- und einbauen
→ Kapitel |
| 2 - |
Hydraulikeinheit für ABS -N55- |
| Bei Fahrzeugen mit Hydraulischer Bremskraftverstärkung oder mit
Berganfahrhilfe ist keine Trennung vom Steuergerät für ABS -J104- und
Hydraulikeinheit für ABS -N55- möglich. |
| aus- und einbauen
→ Kapitel |
| Hauptbremszylinder/Druckstangenkolbenkreis zur Hydraulikeinheit für
ABS -N55- |
| Kennzeichen: Ø 6,5 mm und Rohrschraube mit langem Gewinde M 12 x 1 |
| Hauptbremszylinder/Schwimmkolbenkreis zur Hydraulikeinheit für ABS
-N55- |
| Kennzeichen: Ø 6,5 mm und Rohrschraube mit langem Gewinde M 12 x 1 |
| zum Bremssattel vorn links |
| Kennzeichen: Ø 5,25 mm und Rohrschraube mit kurzem Gewinde M 12 x 1 |
| zum Bremssattel vorn rechts |
| Kennzeichen: Ø 5,25 mm und Rohrschraube mit Gewinde M 10 x 1 |
| zum Bremssattel hinten links |
| Kennzeichen: Ø 5,25 mm und Rohrschraube mit kurzem Gewinde M 12 x 1 |
| zum Bremssattel hinten rechts |
| Kennzeichen: Ø 5,25 mm und Rohrschraube mit Gewinde M 10 x 1 |
| Neue Schrauben verwenden. |
| 13 - |
Bremskraftverstärker |
| Bei Benzinmotoren wird der erforderliche Unterdruck am Ansaugrohr
entnommen. |
| Einige Fahrzeuge mit Benzinmotor und Automatikgetriebe sind mit
einer Unterdruckpumpe für Bremse ausgerüstet
→ Kapitel. |
| Bei Fahrzeugen mit HBV ist ein Unterdruckgeber eingebaut
→ Kapitel |
| Bei Dieselmotoren ist zur Unterdruckerzeugung eine Vakuumpumpe
eingebaut.
→ Kapitel |
| - |
Bremspedal bei stehendem Motor mehrere Male kräftig durchtreten (Dadurch
wird der im Gerät vorhandene Unterdruck abgebaut). |
| - |
Bremspedal jetzt mit mittlerer Fußkraft in Bremsstellung halten und
Motor starten. Bei einem einwandfrei funktionierenden
Bremskraftverstärker gibt jetzt das Bremspedal unter dem Fuß spürbar
nach (Verstärkung wird wirksam). |
| bei Störungen komplett ersetzen (vorher alle Unterdruckleitungen
prüfen) |
| aus- und einbauen
→ Kapitel |
| 15 - |
Unterdruckgeber im Bremskraftverstärker -G483- |
| nur bei Fahrzeugen mit HBV |
| aus- und einbauen
→ Kapitel |
| Zuordnung
→ Elektronischer Ersatzteilkatalog (ETKA) |
| kann nicht instand gesetzt werden. Bei Störungen komplett ersetzen |
| aus- und einbauen
→ Kapitel |
| nach jeder Demontage ersetzen |
| mit Bremsflüssigkeit benetzen und Bremsflüssigkeitsbehälter
eindrücken |
| 20 - |
Bremsflüssigkeitsbehälter |
| Anschluss für den Unterdruckschlauch |
| in Bremskraftverstärker einsetzen |
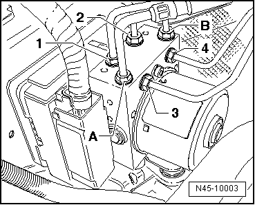
Anschließen der Bremsleitungen vom Hauptbremszylinder an die
Hydraulikeinheit für ABS -N55-
| A - |
Druckstangenkolbenkreis des Hauptbremszylinders zur
Hydraulikeinheit für ABS -N55- |
| - |
Kennzeichen: Ø 6,5 mm und Rohrschraube mit Gewinde M 12 x 1 |
| B - |
Schwimmkolbenkreis des Hauptbremszylinders zur
Hydraulikeinheit für ABS -N55- |
| - |
Kennzeichen: Ø 6,5 mm und Rohrschraube mit Gewinde M 12 x 1 |
| 1 - |
Hydraulikeinheit für ABS -N55- zum Bremssattel vorn links |
| 3 - |
Hydraulikeinheit für ABS -N55- zum Bremssattel hinten rechts |
| 4 - |
Hydraulikeinheit für ABS -N55- zum Bremssattel hinten links |
|
|
|
| An der Hydraulikeinheit für ABS -N55-: |
| A - |
Hydraulikeinheit für ABS -N55- zum Druckstangenkolbenkreis
des Hauptbremszylinders |
| - |
Kennzeichen: Ø 6,5 mm und Rohrschraube mit langem Gewinde M
12 x 1 |
| B - |
Hydraulikeinheit für ABS -N55- zum Schwimmkolbenkreis des
Hauptbremszylinders |
| - |
Kennzeichen: Ø 6,5 mm und Rohrschraube mit langem Gewinde M
12 x 1 |
| 1 - |
Hydraulikeinheit für ABS -N55- zum Bremssattel vorn links |
| - |
Kennzeichen: Ø 5,25 mm und Rohrschraube mit kurzem Gewinde M
12 x 1 |
| 2 - |
Hydraulikeinheit für ABS -N55- zum Bremssattel vorn rechts |
| - |
Kennzeichen: Ø 5,25 mm und Rohrschraube mit Gewinde M 10 x 1 |
| 3 - |
Hydraulikeinheit für ABS -N55- zum Bremssattel hinten rechts |
| - |
Kennzeichen: Ø 5,25 mm und Rohrschraube mit Gewinde M 10 x 1 |
| 4 - |
Hydraulikeinheit für ABS -N55- zum Bremssattel hinten links |
| - |
Kennzeichen: Ø 5,25 mm und Rohrschraube mit kurzem Gewinde M
12 x 1 |
|
|
|
Steuergerät für ABS -J104- und Hydraulikeinheit für ABS -N55- ausbauen
| Benötigte Spezialwerkzeuge, Prüf- und
Messgeräte sowie Hilfsmittel |
| Drehmomentschlüssel -V.A.G 1331- |
| Drehmomentschlüssel -V.A.G 1410- |
| Bremspedalbelaster -V.A.G 1869/2- |
| Verschlussstopfen Reparatursatz ET.-Nr. 1H0 698 311 A |
| Nach dem Ausbau der Hydraulikeinheit für ABS -N55- ist der
Transportschutz aufzustecken. |
| Ohne Transportschutz kann keine Gewährleistung für die
Hydraulikeinheit für ABS -N55- anerkannt werden. |
| 1 - |
Transportschutz für Ventildome (Schaumstoff) |
| 2 - |
Verschlussstopfen M 10 |
| 3 - |
Verschlussstopfen M 12 |
| Das Steuergerät für ABS -J104- ist mit der Hydraulikeinheit
für ABS -N55- verschraubt und befindet sich im Motorraum rechts. |
|
|
|
| Anordnung des ABS im Linkslenker. |
| 1 - |
Hydraulikeinheit für ABS -N55- und Steuergerät für ABS
-J104- |
ACHTUNG!
| Bremsleitungen im Bereich der Hydraulikeinheit für
ABS -N55- dürfen nicht verbogen werden! |
|
| - |
Die vorhandene Steuergerätecodierung auslesen und notieren
→ Kapitel. |
| - |
Bei Fahrzeugen mit codiertem Radiogerät Codierung beachten,
ggf. fragen. |
| - |
Batterie abklemmen
→ Elektrische Anlage; Rep.-Gr.27. |
| - |
Motorabdeckung herausnehmen. |
|
|
|
| - |
Motorabdeckung -Pfeil A- und
Hitzeschutz -Pfeil B- abbauen. |
| - |
Druckrohr und Saugstutzen mit Regelklappensteuereinheit
-2- ausbauen
→ 4-Zyl. Einspritzmotor (1,4 l-Motor Direkteinspritzer,
Turbolader und Kompressor); Rep.-Gr.24. |
| - |
Ladeluftschlauch -1- ausbauen
→ 4-Zyl. Einspritzmotor (1,4 l-Motor Direkteinspritzer,
Turbolader und Kompressor); Rep.-Gr.21. |
| - |
Schlauch vom Kühlmittelausgleichsbehälter abklemmen und
abziehen. |
|
|
|
| Fahrzeuge mit Dieselmotor |
| - |
Motorabdeckung in -Pfeilrichtung-
abziehen. |
| - |
Verbindungsschlauch zum Saugstutzen ausbauen
→ 4-Zyl. Dieselmotor (2-Ventiler); Rep.-Gr.21. |
| - |
Motor für Saugrohrklappe V157 ausbauen
→ 4-Zyl. Dieselmotor (2-Ventiler); Rep.-Gr.23. |
|
|
|
| 1,6l und 2,0l Dieselmotor |
| - |
Wasserkasten Stirnwand Mitte ausbauen
→ Karosserie-Montagearbeiten Aussen; Rep.-Gr.50. |
| - |
Verbindungsrohr zwischen Ansaugschlauch und Abgasturbolader
ausbauen. |
| - |
Zahnriemenschutz-Oberteil ausbauen dazu die Klammern
-Pfeile- öffnen. |
|
|
|
| alle Dieselmotoren mit Partikelfilter |
| - |
Drucksensor für Abgas abschrauben, elektrische
Steckverbindungen trennen,
→ Rep.-Gr.26. |
| - |
Schrauben des Partikelfilters -2-
bis -5- abschrauben
→ Abgasanlage; Rep.-Gr.26. |
| - |
Partikelfilter absenken. |
| Fortsetzung für alle Fahrzeuge |
|
|
|
| - |
Stecker vom Steuergerät für ABS -J104- in Pfeilrichtung
entriegeln -1- und abziehen
-2-. |
|
|
|
| - |
Bremspedalbelaster -V.A.G 1869/2- einsetzen. |
|
|
|
| - |
Entlüfterschlauch der Entlüfterflasche
-1- auf das Entlüftungsventil des Bremssattels vorn links
stecken. |
| - |
Entlüftungsventil öffnen. |
|
|
|
| - |
Entlüfterschlauch der Entlüfterflasche
-1- auf das Entlüftungsventil des Bremssattels hinten
links stecken. |
| - |
Entlüftungsventil öffnen. |
| - |
Das Bremspedal mit dem Bremspedalbelaster -V.A.G 1869/2-
mindestens 60mm drücken. |
| - |
Die Entlüftungsventile vorn links und hinten links schließen. |
| - |
Bremspedalbelaster -V.A.G 1869/2- nicht entfernen. |
| - |
Ausreichend nicht fasernde Lappen unter das Steuergerät für
ABS -J104- und die Hydraulikeinheit für ABS -N55- legen. |
| Achten Sie darauf, dass keine Bremsflüssigkeit auf die
Kontakte gelangt. |
|
|
|
| - |
Zuerst die beiden Bremsleitungen vom Hauptbremszylinder
-A- und -B-
kennzeichnen und von der Hydraulikeinheit für ABS -N55-
abschrauben. |
| - |
Bremsleitungen und Gewindebohrungen sofort mit
Verschlussstopfen aus Reparatursatz ET.- Nr. 1H0 698 311 A
verschließen. |
| - |
Die Bremsleitungen (Bremssättel) -1-
und -4- kennzeichnen, abschrauben
und sofort mit Verschlussstopfen aus Reparatursatz
ET.- Nr. 1H0 698 311 A verschließen. |
| - |
Hydraulikeinheit für ABS -N55- mit Steuergerät für ABS
-J104- nach oben aus den Dämpfern ziehen. |
|
|
|
| Steuergerät für ABS -J104- von der
Hydraulikeinheit für ABS -N55- abschrauben |
|
Hinweis
| Bei Fahrzeugen mit Hydraulischer Bremskraftverstärkung oder
mit Berganfahrhilfe ist keine Trennung von Steuergerät für ABS
-J104- und Hydraulikeinheit für ABS -N55- möglich. |
| - |
Hydraulikeinheit für ABS -N55- mit dem Steuergerät für ABS
-J104- nach unten auf eine saubere ebene Fläche stellen. |
|
|
|
| - |
Schrauben -Pfeile- von der
Hydraulikpumpe für ABS -V64- herausschrauben. |
ACHTUNG!
| Die Hydraulikpumpe für ABS -V64- darf nicht von der
Hydraulikeinheit für ABS -N55- getrennt werden. |
| Elektrostatische Aufladung vermeiden! |
|
|
|
|
| - |
Aus diesem Grund die Hydraulikpumpe für ABS -V64- mit dem
roten Halter -1- aus dem
Ersatzteilsatz und 2 Verschlussstopfen -2-
auf der Hydraulikeinheit für ABS -N55- fixieren. |
|
|
|
| - |
Die Hydraulikeinheit für ABS -N55- mit der Hydraulikpumpe
für ABS -V64- an der Nahtstelle -1-
vorsichtig nach oben vom Steuergerät für ABS -J104- trennen. |
|
|
|
| Beim Abziehen vom Steuergerät für ABS -J104- darauf achten,
dass die Ventildome der Hydraulikeinheit für ABS -N55- nicht mit
den Magnetspulen des Steuergerät für ABS -J104- verkanten. |
| Pos. 2 Adapter für Pumpenmotor. |
| - |
Magnetspulen vom Steuergerät für ABS -J104- mit einem nicht
fasernden Lappen abdecken. |
| Nach dem Trennen von Steuergerät für ABS -J104- und
Hydraulikeinheit für ABS -N55- den Transportschutz für
Ventildome verwenden. |
|
|
|
Neues Steuergerät für ABS -J104- anbauen
ACHTUNG!
| Starke Erschütterungen (z.B. Sturz, Schlag) können
das Steuergerät für ABS -J104- zerstören. Das
Steuergerät für ABS -J104- darf danach nicht mehr
verwendet werden. |
|
| Bevor das neue Steuergerät für ABS -J104- montiert werden
kann, muss zuerst der Pumpenmotoradapter bis zum Anschlag
gesteckt werden und dabei einrasten. Die Adapterführung darf
nicht beschädigt werden. |
| Der als Ersatzteil für das Steuergerät für ABS -J104-
mitgelieferte Adapter kann nur einmal eingerastet werden und
danach nicht wieder getrennt werden. |
| Die weiße Vergussmasse am Boden des Steuergerät für ABS
-J104- dient als Abdichtung und darf nicht entfernt werden. |
| Sämtliche Kontaktflächen am Adapter, Drucksensor und
Steuergerät für ABS -J104-, sowie das Silikon-Gel und die
Dichtelemente dürfen nicht mit der Hand oder Gegenständen
berührt, verschmutzt oder beschädigt werden. |
| - |
Adapter bis zum Anschlag in die Adapterführung drücken, er
muss dann verrastet sein. |
| - |
Steuergerät für ABS -J104- auf die Hydraulikeinheit für ABS
-N55- aufsetzen, ohne es zu verkanten. |
| - |
Hydraulikeinheit für ABS -N55- und Steuergerät für ABS
-J104- mit den beiliegenden neuen Schrauben verschrauben. |
 Hinweis
| Ein neues Steuergerät für ABS -J104- darf an einer
verbleibenden Hydraulikeinheit für ABS -N55- max. zweimal
montiert werden, um die Dichtheit der elastischen Dichtung zu
gewährleisten. |
| Ein Steuergerät für ABS -J104-, welches einmal im
Fahrbetrieb war, darf kein zweites Mal montiert werden. |
|
|
|
Steuergerät für ABS -J104- und Hydraulikeinheit für ABS -N55- einbauen
| Der Einbau erfolgt in umgekehrter Reihenfolge. Dabei ist
Folgendes zu beachten: |
 Hinweis
| Verschlussstopfen an der neuen Hydraulikeinheit für ABS
-N55- erst entfernen, wenn die entsprechende Bremsleitung
montiert wird. |
| Werden die Verschlussstopfen aus der Hydraulikeinheit für
ABS -N55- schon vorher entfernt, kann Bremsflüssigkeit
ausfließen, so dass eine ausreichende Befüllung und Entlüftung
nicht mehr gewährleistet ist. |
| - |
Bremspedalbelaster -V.A.G 1869/2- entfernen. |
| - |
Bremsanlage entlüften
→ Kapitel. |
| - |
Das Steuergerät für ABS -J104- codieren
→ Kapitel. |
| Dabei muss eine Grundeinstellung des Lenkwinkelgeber -G85-,
des Querbeschleunigungsgeber -G200- und des Bremsdruckgeber
-G201- erfolgen
→ Kapitel. |
|
|
|
| Bauteil |
Anzugsdrehmoment |
Steuergerät für ABS
-J104- an Hydraulikeinheit für ABS -N55-
| Neue Schrauben verwenden! |
|
5,5 Nm |
| Sechskantschraube für
Hydraulikeinheit für ABS -N55- an Halter |
8 Nm |
| Bremsleitungen am
Hydraulikeinheit für ABS -N55- M 10 x 1 |
14 Nm |
| Bremsleitungen am
Hydraulikeinheit für ABS -N55- M 12 x 1 |
14 Nm |
| Partikelfilter an die
Halter am Motorblock |
25 Nm |
| Klemmhülse für
Abgasanlage |
25 Nm |
| Halter an den Motorblock |
25 Nm |
| Schelle zwischen
Partikelfilter und Abgasturbolader |
7 Nm |
| Abgasanlage an den
Aggregateträger |
25 Nm |
Siehe auch:
Allgemeine Hinweise zum Antiblockiersystem
Die Bremsanlage des ABS ist diagonal aufgeteilt. Die
Bremskraftverstärkung erfolgt pneumatisch durch den
Vakuumbremskraftverstärker.
Fahrzeuge mit dem ABS haben keinen mechanischen
Bremskraftregler ...
Dichtungen für Glasdeckel hinten ersetzen
Außendichtung ausbauen
-
Glasdeckel hinten ausbauen
→ Kapitel.
-
Dichtung -2- vom Glasdeckel hinten
-1- rundherum abziehen.
-
Vorhandene Klebereste mit dem Klebestreifen-Entfer ...